OM VBCD 3/4" DE-A Doppel-Overcenter-Bremsventil

OM VBCD 3/4" DE-A Doppel-Overcenter-Bremsventil
OM VBCD 3/4" DE-A Doppel-Overcenter-Bremsventil OM VBCD 3/4" DE-A Doppel-Overcenter-Bremsventil
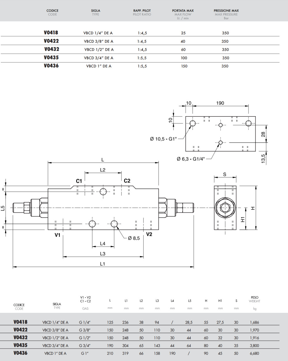
Ventiltyp: Overcenter
Max. Druck: 350 bar
Verbindung: 3/4”
Steuerverhältnis: 1:5,5
Max. Durchflussrate: 100 l/min
Hersteller: Oleodinamica Marchesini
Herstellernummer: V0435
Auf Lager
144 ohne MwSt.
Artikelnummer: 
HK_V0435

V0435 3/4” BSP – Doppeltwirkendes Lasthalte- und Senkbremsventil (DE A)

Produktbeschreibung:

Das V0435 VBCD 3/4” DE A doppeltwirkende Lasthalte- und Senkbremsventil ist zur Steuerung der Bewegung hydraulischer Aktoren sowie zum sicheren Halten von Lasten unter Druck in beide Richtungen ausgelegt. Das Ventil gewährleistet ein kontrolliertes Absenken der Last, verhindert Kavitation am Aktor und vermeidet ein unkontrolliertes Durchgehen infolge des Eigengewichts der Last. Die DE-A-Ausführung verfügt im Vergleich zur Standardversion über eine abweichende Anschlussanordnung und Pilotübersetzung.

Hauptmerkmale:

  • Typ: VBCD – doppeltwirkendes Lasthalte- und Senkbremsventil (DE-A-Ausführung)
  • Artikelnummer: V0435
  • Anschluss (V1–V2 / C1–C2): G 3/4”
  • Max. Volumenstrom: 100 l/min
  • Maximaler Betriebsdruck: 350 bar
  • Pilotübersetzung: 1 : 5.5
  • Standard-Druckeinstellung: 320 bar
  • Gehäusematerial: Stahl (verzinkt)
  • Gewicht: 3.8 kg

Daten
Gewicht:
3,5 kg/stk.
Details

Funktionsweise 

Ein doppeltwirkendes Overcenter-Ventil sperrt den Rückfluss von Hydrauliköl in beide Richtungen, solange kein ausreichender Steuerdruck anliegt. Wenn der Steuerdruck den voreingestellten Öffnungswert erreicht, öffnet das Ventil kontrolliert und gibt den Durchfluss frei. So wird verhindert, dass Lasten durch Eigengewicht unkontrolliert absinken oder beschleunigen. Gleichzeitig schützt das Ventil den Hydraulikkreis vor Überdruck durch seine integrierte Druckbegrenzungsfunktion. Das Ergebnis ist eine sanfte, sichere und gut dosierbare Bewegung des Zylinders in beiden Richtungen.

OM VBCD 3/4" DE-A Doppel-Overcenter-Bremsventil
OM VBCD 3/4" DE-A Doppel-Overcenter-Bremsventil
144 ohne MwSt.
Sprache und Währung
Wird geladen...
Wird geladen...
Anmelden
Passwort vergessen
Warenkorb
Zum Warenkorb
Wird geladen...
Kategorien
Menüeinträge